Inspirasi Rangkaian Dimmer 4000 Watt, Skema Rangkaian
Poin pembahasan Inspirasi Rangkaian Dimmer 4000 Watt, Skema Rangkaian adalah :
Inspirasi Rangkaian Dimmer 4000 Watt, Skema Rangkaian Dari sini kami akan menerangkan update mengenai skema rangkaian yang terbaik waktu ini dan tercanggih. Sebab kenyataan bahwa sesuai dengan perkembangan zaman, desain teknologi yang sangat bagus akan admin sajikan untuk Anda. Ok, inilah skema rangkaian terbaru yang memiliki teknologi kekinian saat ini.

my blog my adventure RANGKAIAN DIMMER LAMPU Sumber saptiningsihika.blogspot.com

4000 Watt Variable Spannung Controller F r Temperatur Sumber a.mariuszkobiela.me

Electronic Lamp Dimmer Circuit ElectroSchematics com Sumber www.electroschematics.com

Skema Rangkaian Dimmer Sederhana Skema Rangkaian Sumber itcxgresida.blogspot.com

Rangkaian Pengatur Redup Terang Lampu AC dan Kecepatan Sumber stovany97.blogspot.com

RANGKAIAN DIMMER LAMPU PIJAR Sumber rice-ceria.blogspot.com

Rangkaian Dimmer Pengatur Contras Lampu 220V Koleksi Sumber elektroarea.blogspot.com

Aliexpress com Buy AC220V 4000W Dimmer High Power SCR Sumber www.aliexpress.com

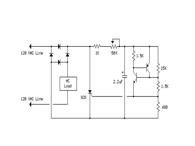
Rangkaian dimmer Sumber www.slideshare.net

Buy AC 220V 4000W Dimmer with cheap price Sumber www.robotistan.com

Control Lampu kipas Angin 200 watt 220 volt Koleksi Skema Sumber elektroarea.blogspot.com

AC 110V 4000W SCR electronic regulator Dimmer Thermostat Sumber www.aliexpress.com

Membuat Alat Pengendali Intensitas Cahaya Lampu DIMMER Sumber kursuselektronikaku.blogspot.com

4000W 220V SCR Voltage Regulator Adjust Motor Speed Sumber www.aliexpress.com

4000W 220V AC SCR Voltage Regulator Dimmer Electric Motor Sumber www.aliexpress.com

4000W high power regulation temperature speed voltage Sumber www.aliexpress.com

220 Volt 4000 Watt Motor H z Kontrol Devresi Dimmer Sumber urun.n11.com

4000W 220V AC SCR Voltage Regulator Dimmer Electric Motor Sumber alexnld.com

Kreatif Elektronika RANGKAIAN AC PHASE CONTROL DIMMER LAMP Sumber hariniseptyaningasri.blogspot.com

Cebek I 17 230Vac Light Dimmer Module 4000W Quasar Sumber quasarelectronics.co.uk

Cuma 5ribu Kamu Bisa Membuat Rangakaian dimmer Sumber www.youtube.com

Voltaj Reg le Kartlar 4000 Watt SCR Dimmer 220 VAC Sumber www.robolinkmarket.com

220V AC 4000W SCR Voltage Regulator Dimmer Thermostat Sumber www.ebay.com

4000W 220V AC SCR Voltage Regulator Dimmer Electronic Sumber www.aliexpress.com

Buy AC 220V 4000W Dimmer with cheap price Sumber www.robotistan.com

Aliexpress com Buy 4000W 220V AC SCR Voltage Regulator Sumber www.aliexpress.com

Rangkaian Pengatur Redup Terang Lampu AC dan Kecepatan Sumber stovany97.blogspot.com

Aliexpress com Buy WAVGAT Hot Voltage Regulator Voltage Sumber www.aliexpress.com

Cara menggunakan Modul Dimmer AC dengan Arduino Sumber sekagi.blogspot.com

RANGKAIAN DIMMER PEREDUP LAMPU DENGAN MENGGUNAKAN HP Sumber triazis13.wordpress.com

MX056 Electronics Dimmer 4 000 W Sumber www.bakatronics.com

4000W 220V AC SCR Electric Voltage Regulator Dimmer Motor Sumber www.ebay.com.au

Exposing a Basic Lighting and Grip Kit FilmmakerIQ com Sumber filmmakeriq.com

4000W 220V AC SCR Electric Voltage Regulator Dimmer Motor Sumber www.ebay.co.uk

Burda Funk Empf nger bis 4000 Watt Remote Softstart Dimmer Sumber www.enobi.de
skema rangkaian dimmer 4000 watt, rangkaian dimmer 5000 watt, rangkaian dimmer 2000 watt, rangkaian dimmer ac 2000w, skema dimmer ac 2000 watt, rangkaian dimmer lampu led 220v, rangkaian dimmer lampu halogen, skema dimmer motor ac,
Inspirasi Rangkaian Dimmer 4000 Watt, Skema Rangkaian Dari sini kami akan menerangkan update mengenai skema rangkaian yang terbaik waktu ini dan tercanggih. Sebab kenyataan bahwa sesuai dengan perkembangan zaman, desain teknologi yang sangat bagus akan admin sajikan untuk Anda. Ok, inilah skema rangkaian terbaru yang memiliki teknologi kekinian saat ini.

my blog my adventure RANGKAIAN DIMMER LAMPU Sumber saptiningsihika.blogspot.com
Jual Dimmer listrik 220 volt 4000 watt Kab Wonogiri
Jual Dimmer listrik 220 volt 4000 watt dengan harga Rp102 000 dari toko online DBS ELEKTRICAL Kab Wonogiri Cari produk Pengatur Kecepatan lainnya di Tokopedia Jual beli online aman dan nyaman hanya di Tokopedia

4000 Watt Variable Spannung Controller F r Temperatur Sumber a.mariuszkobiela.me
1 Channel Dimmer 400 w 5000 watt power Geo Technik
Slide dimmer 400 500 600 1000 1200 W 1500 W 2000 2300 watts 2500 3000 3300 4000 4400 5000 watt with DMX 512 or analog input Single Dimmers Products Dimmers and

Electronic Lamp Dimmer Circuit ElectroSchematics com Sumber www.electroschematics.com
Rangkaian Elektronika Komponen Elektronika Dan PCB
Selamat Datang Di Skema Rangkaian PCB Rangkaian elektronika adalah rangkaian beberapa komponen elektronika baik aktif maupun pasif yang memiliki fungsi elektronik sederhana maupun komplek Rangkaian elektronika dibagi dalam 3 kategori utama yaitu Rangkaian elektronika analog Rangkaian elektronika yang bekerja menggunakan sinyal kontinyu analog dari bagian depan hingga

Skema Rangkaian Dimmer Sederhana Skema Rangkaian Sumber itcxgresida.blogspot.com
Regulator AC 2000W 25A YouTube
17 12 2019 Rangkaian ini dapat digunaka sebagai alat pengatur intensitas jumlah arus secara manual Dengan rangkaian ini kecepatan motor dinamo dan nyala

Rangkaian Pengatur Redup Terang Lampu AC dan Kecepatan Sumber stovany97.blogspot.com
PengendaIi Instalasi Tenaga Listrik Menggunakan DIODA
26 10 2019 saya mau tanya saat ini saya menggunakan rangkaian dimmer untuk kontrol heater pada rice cooker dan ternyata tegangan keluaran dari rangkaiannya plg tinggi 115 volt sementara saya membutuhkan tegangan 220 volt kira kira dengan menggunakan dioda tersebut tegangan keluaran bisa meningkat Terima Kasih Balas Hapus

RANGKAIAN DIMMER LAMPU PIJAR Sumber rice-ceria.blogspot.com
rangkaian led hemkit com
Rangkaian LED Link Sukses Jul 14 2019 Semakin terang jenis LED Super Bright LED semakin besar drop tegangan dan arus yang dibutuhkan Karena perbedaan karakteristik inilah maka untuk membuat rangkaian seri agar setiap LED menyala normal cukup sulit karena besarnya cahaya yang dihasilkan akan berbeda bahkan sebagian LED dapat tidak menyala atau redup

Rangkaian Dimmer Pengatur Contras Lampu 220V Koleksi Sumber elektroarea.blogspot.com
2000 Watt Dimmer Switch YouTube
19 10 2019 DIMMER SWITCH 2 000 watt capacity 20 AMP 120 Volt Faceless GFCI with water tight cover Faceless GFCI prevents unwanted plug ins and

Aliexpress com Buy AC220V 4000W Dimmer High Power SCR Sumber www.aliexpress.com
Uji coba Triac blog labberu com
06 01 2019 Dimmer memiliki beberapa keterbatasan di banding dengan Variable tranformer diantaranya perihal range dan bentuk gelombang jika transformer range mulai 0 100 bisa bisa di pakai semua sedangkan Triac harus melewati 30Volt Bentuk gelombang jika transfomer Satu gelombang sinus penuh dan jika Triac terpotong potong lembah dan gunung nya

Rangkaian dimmer Sumber www.slideshare.net
250 to 5000 Watts PWM DC AC 220V Power Inverter
250 to 5000 Watts PWM DC AC 220V Power Inverter This is a heavy duty design of a Pulse Width Modulator DC AC inverter using the chip SG3524 I ve been using it as a backup to power up all my house when outages occur since aprox 6 years non stop If you like the work and intend to build the c

Buy AC 220V 4000W Dimmer with cheap price Sumber www.robotistan.com
Perancangan dan Implementasi Kontroler Pid untuk

Control Lampu kipas Angin 200 watt 220 volt Koleksi Skema Sumber elektroarea.blogspot.com
AC 110V 4000W SCR electronic regulator Dimmer Thermostat Sumber www.aliexpress.com
Membuat Alat Pengendali Intensitas Cahaya Lampu DIMMER Sumber kursuselektronikaku.blogspot.com

4000W 220V SCR Voltage Regulator Adjust Motor Speed Sumber www.aliexpress.com

4000W 220V AC SCR Voltage Regulator Dimmer Electric Motor Sumber www.aliexpress.com

4000W high power regulation temperature speed voltage Sumber www.aliexpress.com

220 Volt 4000 Watt Motor H z Kontrol Devresi Dimmer Sumber urun.n11.com
4000W 220V AC SCR Voltage Regulator Dimmer Electric Motor Sumber alexnld.com

Kreatif Elektronika RANGKAIAN AC PHASE CONTROL DIMMER LAMP Sumber hariniseptyaningasri.blogspot.com

Cebek I 17 230Vac Light Dimmer Module 4000W Quasar Sumber quasarelectronics.co.uk

Cuma 5ribu Kamu Bisa Membuat Rangakaian dimmer Sumber www.youtube.com

Voltaj Reg le Kartlar 4000 Watt SCR Dimmer 220 VAC Sumber www.robolinkmarket.com

220V AC 4000W SCR Voltage Regulator Dimmer Thermostat Sumber www.ebay.com

4000W 220V AC SCR Voltage Regulator Dimmer Electronic Sumber www.aliexpress.com

Buy AC 220V 4000W Dimmer with cheap price Sumber www.robotistan.com

Aliexpress com Buy 4000W 220V AC SCR Voltage Regulator Sumber www.aliexpress.com

Rangkaian Pengatur Redup Terang Lampu AC dan Kecepatan Sumber stovany97.blogspot.com

Aliexpress com Buy WAVGAT Hot Voltage Regulator Voltage Sumber www.aliexpress.com

Cara menggunakan Modul Dimmer AC dengan Arduino Sumber sekagi.blogspot.com

RANGKAIAN DIMMER PEREDUP LAMPU DENGAN MENGGUNAKAN HP Sumber triazis13.wordpress.com
MX056 Electronics Dimmer 4 000 W Sumber www.bakatronics.com
4000W 220V AC SCR Electric Voltage Regulator Dimmer Motor Sumber www.ebay.com.au

Exposing a Basic Lighting and Grip Kit FilmmakerIQ com Sumber filmmakeriq.com
4000W 220V AC SCR Electric Voltage Regulator Dimmer Motor Sumber www.ebay.co.uk

Burda Funk Empf nger bis 4000 Watt Remote Softstart Dimmer Sumber www.enobi.de
0 Komentar